Предлагаемая концепция, хотя и довольно “сырая”, призвана заполнить пробел в линейке альтернативных конструкций тяжелого танка прорыва Т-35. Весьма вероятно, что позднейшим исследователям удастся найти более оптимальные и изящные решения. Мы же надеемся хотя бы наметить подходы к решению данной проблемы.
Одним из главных недостатков многобашенного Т-35 была проблема невозможности эффективного управления имеющейся артиллерией. Командир, не слишком удачно расположенный в центральной башне, физически не мог одновременно наблюдать за полем боя и назначать целеуказание трем орудийным башням. (Предполагалось, что стрелки пулеметных башен должны были действовать самостоятельно. Что тоже не добавляло слаженности в действиях экипажа)

Попытка установить корабельную систему управления огнем оказалась неудачной. Проблема усугублялась разнородностью имеющейся артиллерии. 76 и 45 пушки имели разную баллистику и могущество ОФС. Строго говоря, снаряды 45-мм пушек имели ничтожное фугасное действие, и их правильно называть осколочными. Таким образом, пушки не могли одинаково эффективно работать по одной цели. А при попытке разделения целей и возникала проблема управления огнем.
Поэтому предлагается рассмотреть вариант безбашенной компоновки Т-35.
В те годы классическая компоновка не была так широко распространена, как сейчас. Поэтому в разных странах строились достаточно удачные безбашенные танки. Правда, в основном в классе легких и средних. Например, итальянский 9Т, американский Т4 и знаменитая танкетка. См. фото



Безбашенная схема позволяет усилить и бронирование и вооружение, и уменьшить величину лобовой и боковой проекций. См. рис –

А что, если разместить вооружение Т-35 не в башнях, а в лобовом листе корпуса и в просторной рубке? Отказ от башен высвободит дополнительное место, что позволит установить три орудия одинакового калибра 76 мм, что значительно усилит огневую мощь.
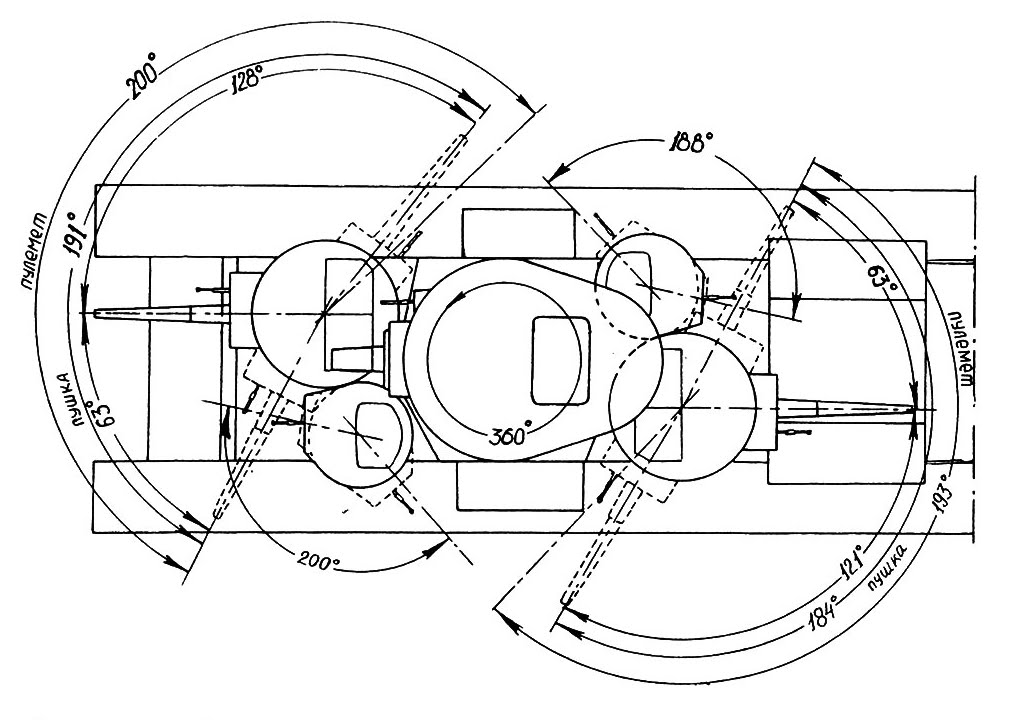
Очевидно, что все пушки целесообразно сосредоточить в переднем направлении, за счет чего будет достигнута максимальная концентрация огня.
Пулеметное вооружение, напротив, следует разнести по четырем направлениям (вперед, назад, вправо, влево), что обеспечит круговой обстрел. Причем каждый пулеметчик будет работать в своем секторе в 90º. См. рис.


Понятно, что при ширине рубки порядка 3-х метров, установка трех орудий вызовет весьма стесненные условия работы экипажа. Два орудия встают свободно, но тогда теряется возможность вести огонь трехорудийными залпами.
Не стоит также забывать, что Т-35 будет участвовать в парадах и изображаться на плакатах. Поэтому совсем не лишней будет зрительная связь танка с линкором “Октябрьская революция”. Что как бы указывает на особый статус танка – сухопутный линкор, флагман бронетанковых войск РККА.


Предложенная конфигурация обеспечивает ясную и прозрачную систему управления огнем. Одно из достоинств безбашенной схемы это размещение экипажа в одном боевом отделении, что резко облегчает взаимодействие.
Командир ведет наблюдение через смотровые щели командирской башенки. Пулеметчики также контролируют окружающую обстановку каждый в своем секторе. Поэтому обеспечивается достаточно хороший круговой обзор.
Артиллерия может вести сосредоточенный огонь, для чего все пушки наводятся на один и тот же угол по азимуту и по возвышению. Либо возможно разделение целей, но и тогда управление будет достаточно эффективно. Благодаря тому, что все цели оказываются в одном переднем секторе, что облегчает наблюдение. А также благодаря хорошему взаимодействию, о чем уже говорилось.
Возможно даже ведение огня с ходу. Точность стрельбы будет низкая, но достаточная для огня на подавление. Боекомплект состоит из хорошего запаса шрапнели и ОФС.
Невозможность переноса огня на большой угол относительно продольной оси танка не может считаться большим недостатком, учитывая особенности тактики применения танка прорыва. Танк прорыва должен применяться в тесном взаимодействии с массой войск, с другими танками и артиллерией. Поэтому отдельному танку достаточно решать огневые задачи в сравнительно узком переднем секторе. А фланги будут обеспечивать пехота и соседние танки.

Ну и в качестве бонуса. Уже от редактора, который правил этот пост. Предлагаю вам более поздний вариант Т-35, переделанный под истребитель танков, и вооружённый 85-мм пушкой Д-5С.




